Basenowy wymiennik ciepła marki SECESPOL B 500
Wymiennik ciepła marki SECESPOL model B to wymiennik płaszczowo-rurowy wyposażony w proste rurki karbowane. Zastosowanie znajduje w instalacjach, w których istnieją wysokie przepływy czynnika w porównaniu do przenoszonej mocy cieplnej. Jest to sprawdzone rozwiązanie dla instalacji basenowych, solarnych lub małych systemów wstępnego podgrzewania oleju.
Zastosowanie rur karbowanych intensyfikuje wymianę ciepła oraz zwiększa możliwości samooczyszczenia.
- Moc: 146 kW
- Powierzchnia wymiany ciepła: 1,37 m2
- Woda gorąca: 55 l/min (przepływ)@ 2,7 kPa (spadek ciśnienia)
- Woda zimna: 360 l/min (przepływ)@ 57,3 kPa (spadek ciśnienia)
- Gwint: 2" (D)@ 1" (E)
- Przeznaczony do basenów o objętości do 170 m3

Dane techniczne wymiennika Secespol B500
| Parametry pracy max. ciśnienie / max. temp. | 16bar/ 203°C |
| Średnica rurki [mm] | 8 |
| Powierzchnia wymiany ciepła [m2] | 1,37 |
| Objętość strony rurek [l] | 2,76 |
| Objętość strony płaszcza [l] | 4,81 |
| Waga [kg] | 12,4 |
| Typ wykonania | Stal nierdzewna 316L |
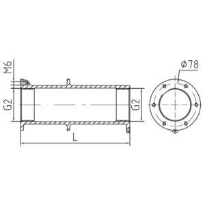
| Typ i materiał przyłączy | gwint wewn. |
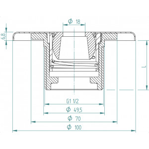
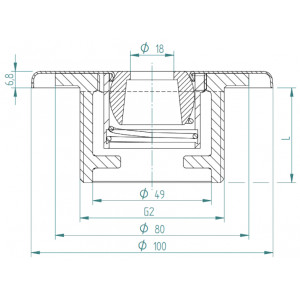
| Wymiary przyłączy | G 1” G 2" |
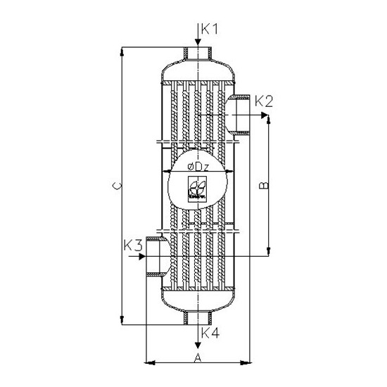
| Wymiary [mm] | A:143,6 / B:884 / C:1103 / Dz:101,6 |
Wymiary wymiennika ciepła Secespol B500

| K1, K4 | K2, K3 | |
| B500 | G 1” | G 2” |
Potrzebujesz pomocy?
Jeśli nie znalazłeś odpowiedzi na swoje zapytanie, skorzystaj z formularza poniżej i napisz jak możemy Ci pomóc? Zapewniamy szybki kontakt i kompleksową obsługę.
Ogrzewanie basenu, Jaka technologia najlepsza?
Morsowanie w Polsce staje się coraz popularniejsze, jednak wciąż jest to niszowe hobby. Człowiek z natury jest ciepłolubny, nie dziwi więc chęć kąpieli w ciepłych zbiornikach wodnych. Posiadając basen, też chcielibyśmy, aby woda w nim miała odpowiednią temperaturę.
Read more
Tomasz Tomkowicz
Specjalista Technologii Basenowej
Dziękuję, że przeczytałeś nasz artykuł, jeżeli masz więcej pytań lub potrzebujesz bardziej specjalistycznej pomocy - napisz do mnie korzystając z formularza.
Jestem bardzo zadowolona z usług tej firmy. Każdy nam odmawiał pomocy, nawet firma montująca basen. Pool system zjawił się i doprowadził basen sprzed paru lat do stanu używalności, co więcej dokonał napraw uszczelniających co spowodowało ze basen stał się w pełni sprawny. Naprawdę polecam !
Bardzo miła i sympatyczna obsługa oraz fachowe doradztwo techniczne.
Bardzo profesjonalna i cierpliwa obsługa. Odbierają telefony, wszystko dokładnie wytłumaczą, wysyłają praktycznie na drugi dzień każdą część którą potrzebuje klient. Pan Krzysztof z serwisu rzetelnie podpowie co zrobić i jak rozwiązać swój basenowy problem, jeśli chcemy majstrować przy basenie sami. Pan Paweł i Marcin też skarbnica wiedzy technologii basenowej. Dobre ceny. Polecam firmę i pozdrawiam zespół POOLSYSTEM
Jak budujesz basen to to miejsce jest dla ciebie, osprzęt, doradztwo i miła obsługa.
Super obsługa doradzi pomoże,ceny na duży plus .Polecam
Bardzo mili ludzie, to naprawdę profesjonaliści. Nie lubię zakupów, ale spotkanie z Nimi było bardzo przyjemne.

